

GDR型A系列雙高(低)壓稀油站
一、使用條件
產品適用于潤滑介質運動粘度為22~460cSt (相當ISO VG22~460)的稀油潤滑系統;例如裝有雙滑履動靜壓軸承的磨機、回轉窯等大型設備的稀油循環潤滑系統中;
(1)若將低壓泵油量分成兩路供油管道時,可以用一套雙高低壓稀油站代替二臺普通高低壓稀油站(如 GXYZ型A系列高低壓稀油站中較小者);參閱下面外形結構及尺寸圖。
(2)若將兩個高壓供油口合并為一個供油口,兩臺高壓泵由同時工作改為一用一備(此時高壓供油量僅為一 臺泵流量),則此裝置可用于需高壓泵連續工作浮起旋轉部分(如立磨轉體)以形成油膜的工況。
根據動靜壓潤滑工作原理,在啟動、低速和停車時用高壓系統,正常轉速運行時用低壓系統,以保證大型機械 在各種不同轉速下均能獲得可靠的潤滑以延長主機壽命。
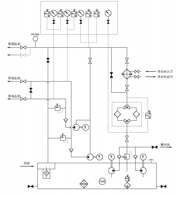
稀油站兩路高壓輸出管道的壓力均為31.5MPa,流量各為2.5L/min,低壓部分的壓力≤0.4MPa,低壓流量為 40~100L/min;稀油站具有過濾、冷卻、加熱等裝置和聯鎖、報警、自控等功能。
產品的性能參數及尺寸應符合表和圖中的規定:本裝S由油站、儀表盤和電控柜(可用PLC控制)成套組成。
二、工作原理與結構特點
雙高低壓稀油站的主要特點為一套稀油站有兩路高壓輸出管道,可滿足兩個高壓潤滑點的需要,其他和普通高低壓稀油站相同。
每路高壓輸出管道均有壓力表和壓力控制器,以便測控每路高壓管道的壓力及觀察工況。
產品組成部分也和普通高低壓稀油站相同;僅比它多一臺高壓油泵,兩臺高壓油泵的吸口均聯于低壓泵的出油口:兩臺高壓泵均啟動時,要從低壓供油口吸走5L/min的潤滑油,對低壓泵流量較小者,啟動高壓泵時低壓供油壓力可能會有所降低,對潤滑油均供向同一軸承的系統來說,軸承的潤滑油總量并未減少,不會影響對軸承的潤滑;但啟動高壓泵時,低壓壓力的降低可能造成備用低壓泵會臨時啟動,這種情況也不致影響潤滑系統的正常工作;但采用二低壓泵互相切換的備用工作方式時,可能工作泵停止后,備用泵流量仍不滿足要求時就不能使潤滑系統正常工作了;故選用較小流量低壓泵時應注意這一情況。
供油口和油箱均裝有鉑熱電阻R100,根據供油溫度可調節高、低二個溫度界限,用以控制冷卻器的開關和發出油溫過高的報警訊號:油箱上鉑熱電阻除控制電加熱器的開關外,還可以控制油箱油溫過低時油泵不能啟動,以保證油泵的安全使用,避免油溫低粘度高造成空吸導致泵的損壞。
其他請參閱P31 GXYZ型A系列高低壓稀油站的工作原理與結構特征。
三、型號標注方法
如采用GDR型A系列,高壓流量為2.5L/min×2,高壓壓力為31.5MPa,低壓供油壓力≤0.4MPa,而低壓供油量為63L/min的雙高低壓稀油站,采用PLC控制的則按如下方法標注:GDRA2.5×2/63·P
四、主要技術參數
| 型號/參數 | GDR-A 2.5X2/40 | GDR-A 2.5X2/63 | GDR-A 2.5X2/80 | GDR-A 2.5X2/100 | ||
| 低 壓 系 統 | 泵裝置型號 | LBZ-40 | LBZ-63 | LBZ-80 | LBZ-100 | |
| 流量(L/min) | 40 | 63 | 80 | 100 | ||
| 供油壓力(MPa) | ≤0.4 | |||||
| 供油溫度(℃) | 40 ± 3 | |||||
| 電 動 機 | 型號 | Y100L1-4. VI | Y112H-4.V1 | |||
| 功率(kW) | 2.2 | A | ||||
| 轉速(r/min) | 1440 | 1440 | ||||
| 油箱容積(m³) | 1.5 | 2.2 | ||||
| 高 | 泵裝s型號 | 2.5MGY14-1B (二臺) | ||||
| 壓 | 流鼉(L/min) | 2.5×2 | ||||
| 系 | 供油壓力(VPa) | 31.5 | ||||
| 統 | 電 | 型號 | Y112M-6, B35 (二臺〉 | |||
| 動 | 功率(kW) | 2.2 | ||||
| 機 | 轉速(r/min) | 940 | ||||
| 過濾精度(mm) | 0. 08~0.12 | |||||
| 過濾面積(㎡) | 0. 20 | 0.4 | ||||
| 冷卻面積(㎡) | 5 | 7 | ||||
| 冷卻水耗量(m³/h) | 3.6 | 5.7 | 9 | 11.25 | ||
| 電加熱功率(kW) | 3×4 | 6×4 | ||||
| 備注 | 全部過濾器切換壓差為0.15MPa,潤滑油粘度高于320cSt時.低壓泵功率提高一級。 | |||||
五、外形結構及尺寸(雙低壓出口為例)

| 型號 | DN1 | DN2 | DN3 | DN4 | L | L1 | L2 | L3 | L4 | L5 |
| GDR-A2.5×2/40 | 10 | 32 | 65 | 32 | 1600 | 2140 | 982 | 500 | 300 | 500 |
| GDR-A2.5×2/63 | 10 | 32 | 65 | 32 | 1600 | 2140 | 982 | 500 | 300 | 500 |
| GDR-A2.5×2/80 | 10 | 40 | 80 | 32 | 1700 | 2265 | 1512 | 760 | 305 | 500 |
| G0R-A2.5×2/100 | 10 | 40 | 80 | 32 | 1700 | 2265 | 1512 | 760 | 305 | 500 |
(續上表)
| 型號 | B | B1 | B2 | B3 | H | H1 | H2 | H3 | H4 | H5 | H6 | H7 |
| GDR-A2.5X2/40 | 1200 | 1280 | 350 | 450 | 850 | 1385 | 1000 | 700 | 180 | 360 | 160 | 140 |
| GDR-A2.5X2/63 | 1200 | 1280 | 350 | 450 | 850 | 1385 | 1000 | 700 | 180 | 360 | 160 | 140 |
| GDR-A2.5X2/80 | 1400 | 1440 | 400 | 500 | 1050 | 1750 | 1200 | 900 | 200 | 400 | 160 | 140 |
| GDR-A2.5X2/100 | 1400 | 1440 | 400 | 500 | 1050 | 1750 | 1200 | 900 | 200 | 400 | 160 | 140 |
六、系統圖

七、儀表盤

八、電控柜

九、GDR型A系列電控柜外接端子接線圖

啟東德樂潤滑設備有限公司
全國服務熱線:0513-83783788
電話:0513-83783788
傳真:0513-83358639
QQ:378068108
郵箱:rhsblm@163.com
地址:啟東市惠萍工業園河灣路88號
| * 聯系人: | 請填寫您的真實姓名 |
| * 手機號碼: | 請填寫您的聯系電話 |
| 電子郵件: | |
| * 采購意向描述: | |
| 請填寫采購的產品數量和產品描述,方便我們進行統一備貨。 | |
| 驗證碼: |
|


| 我要評論: | |
| 內 容: |
(內容最多500個漢字,1000個字符) |
| 驗證碼: | 看不清?! |
電話:0513-83783788
官方QQ:3073722347
郵箱:rhsblm@163.com
地址:啟東市惠萍工業園河灣路88號
共有-條評論【我要評論】