


SSV系列單線遞進式分配器
| 一、使用條件 SSV系列單線遞進式分配器適用于公稱壓力為30MPa以下的單機或小型干稀油單線集中潤滑系統中。它靠殼體內部的活塞將由入口輸入的潤滑劑以預定的量可靠地和強制性地分配。該型分配器左右兩側均有吐出油口,不同吐出口數的安裝尺寸相同,吐出口派生合并增大給油量與手動、氣動或電動潤滑泵相連接可組成簡單,費用低廉的小型集中潤滑系統,也可與大型集中潤滑系統中的單線或雙線分配器連接作為輔助分配器進行二級分配。 | ![]() |
二、技術參數
| 型號 | 公稱壓力Mpa | 每口額定給油量ml/循環 | 起動壓力Mpa | 吐出口數 | 重量kg |
| SSV-6 | 30 | 0.2 | ≤1.5 | 6 | 1.1 |
| SSV-8 | 8 | 1.5 | |||
| SSV-10 | 10 | 2.0 | |||
| SSV-12 | 12 | 2.5 |
使用介質為錐入度大于265(25℃,150g)1/10mm,(NLGI0#-2#)的潤滑脂。如使用潤滑油,粘度等級大于N68,且要降低壓力(約15MPa)使用。
三、型號說明
![]() |
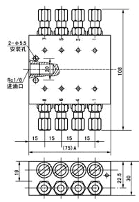
四、外形尺寸
![]() | 型號 | A | 最大允許通過介質量(ml/min) |
| SSV-6 | 60 | 200 | |
| SSV-8 | 75 | 600 | |
| SSV-10 | 90 | 700 | |
| SSV-12 | 105 | 800 | |
1、出油口:φ6(出廠時已裝油嘴組件) | |||
五、型號說明
| 潤滑劑以箭頭方向進入分配器壓送到活塞A的右側末端。活塞A通過潤滑劑壓力而向左側運動。位于活塞A左側前端的潤滑劑通過殼體內部通道輸送到排出口2 并從此通過潤滑位置管道到達摩擦位置。 | ![]() |
| X當活塞A到達其左側終端位置后,通向活塞B右側終端位置的連接通道打開。潤滑劑流動到活塞B右側的末端并使活塞B向左側運動。位于活塞B左側前端的潤滑劑通過殼體內部通道輸送到排出口7。 | ![]() |
| 當活塞B位于其左側終端位置后,它使得通向活塞C右側終端位置的連接通道打通,這樣潤滑劑在壓力的作用下流動并使活塞C向左運動。而位于活塞C左側前端的潤滑劑輸送到排出口5。 | ![]() |
| 現在通向活塞D的連接通道是打開的,潤滑劑壓送到活塞D右側末端。位于活塞D左側前端的潤滑劑將從排出口3 輸出。 | ![]() |
| 當活塞D打通通向活塞A左側終端的連接通道后,潤滑劑流動并將活塞A向右推動。位于活塞A前右側的潤滑劑輸送到排出口1。 這時活塞B至D從左側向右側運動,按以上相反方向順序動作完成一個周期循環并可重新開始一個新的循環。 | ![]() |
六、使用說明
| 1、在系統中推薦最多通過“兩級”來進行潤滑劑的分配。 2、排出油口1和2始終不能關閉。 3、始終使用原配的排出油口油嘴零件組。 4、裝拆調換油嘴零件時要從每側的上部或最下部吐出口開始。 5、如果吐出口要補充關閉,合并潤滑劑量(改流到下面低數的吐出口排出),必須去掉油嘴體,用M10×1螺塞封堵按下圖范例連接。 |
![]() |
七、故障及排除方法
| 在設備中或任何一個接通的軸承中發生阻塞。首先檢查潤滑泵是否工作和潤滑劑是否給到主分配器,打開分配器進油口接頭時潤滑劑會溢出證明分配器是故障根源。將進油口接頭接上擰緊,依次打開所屬軸承進油口接頭,潤滑劑溢出,那么這個軸承就是阻塞的軸承。 當分配器出現內阻塞時,應更換分配器。緊急情況下可根據以下條件清理分配器。 1、必須擁有一塊干凈的工作場地。 2、拆去各進、出油口接頭。 3、卸掉活塞孔二端的螺塞。 4、用一個軟的芯棒(直徑小于6mm,盡可能是塑料棒)將活塞推出。 5、用壓縮空氣噴吹和清洗分配器體。 6、用細鐵絲(F1.5mm),檢查分配器體內的流道斜孔。 7、再次清洗和噴吹分配器體。 8、更換銅墊圈,重新組裝分配器。 9、用一個手動泵檢查新組裝好的分配器,這時分配器的起動壓力不能高于2.5MPa。如果起動壓力高于2.5MPa,應更換分配器。 |
啟東德樂潤滑設備有限公司
全國服務熱線:0513-83783788
電話:0513-83783788
傳真:0513-83358639
QQ:378068108
郵箱:rhsblm@163.com
地址:啟東市惠萍工業園河灣路88號
| * 聯系人: | 請填寫您的真實姓名 |
| * 手機號碼: | 請填寫您的聯系電話 |
| 電子郵件: | |
| * 采購意向描述: | |
| 請填寫采購的產品數量和產品描述,方便我們進行統一備貨。 | |
| 驗證碼: |
|



| 我要評論: | |
| 內 容: |
(內容最多500個漢字,1000個字符) |
| 驗證碼: | 看不清?! |
電話:0513-83783788
官方QQ:3073722347
郵箱:rhsblm@163.com
地址:啟東市惠萍工業園河灣路88號
共有-條評論【我要評論】