SGLL型雙聯油冷卻器
一、使用條件
| 雙聯冷卻器按GB151 標準和參照西德AD 及美國TEMA標準設計和制造,采用全鋼和部分黃銅結構,油側工作壓力1.6MPa,工作溫度150℃,水側工作壓力1.0MPa,工作溫度100℃。產品具有節能、高效、安全可靠等優點;適用于汽輪發電機組、壓縮機組、風機、泵組及石油化工行業上的油冷卻系統,也可用于其它油冷卻系統。 |
二、特點
| 1、表列數據為二流程列管式雙聯油冷卻器,若需要可選用四流程、六流程、裸管或翅片冷卻管的冷卻器。 2、冷卻器安裝通常為臥式,如用戶需要時可采用二種立式布置,一種進水室在下、另一種進水室在上,便于管束拆卸。 3、油水接口法蘭標準按JB/T81-94,根據用戶要求配非標法蘭時應滿足配管要求。 4、根據AP Ⅰ 614 標準,冷卻器采用雙聯結構,由二只相同面積的冷卻器和三通閥裝置構成,一只工作,一只備用,每個冷卻器能承受整個系統的冷卻負荷,管板一頭固定,一頭浮動,可拆卸的管束和水室箱蓋,便于運行過程中清洗、檢查和維修。冷卻器的材質,根據使用場所、水系統條件可有多種選擇,水室、殼體、三通閥可選碳鋼或全不銹鋼,管板可用碳鋼、不銹鋼或黃銅板;管子材料可選普通黃銅管H68、砷黃銅管HSn70-1A,鋁黃銅管HA177-2A,不銹鋼管1Cr18Ni9Ti、B10、B30 等。 5、三通閥采用鋼制焊接結構連續流轉換閥。這種閥門在內部結構發生故障或閥門轉換期間不會造成油路的中斷。外形如圖示。
|
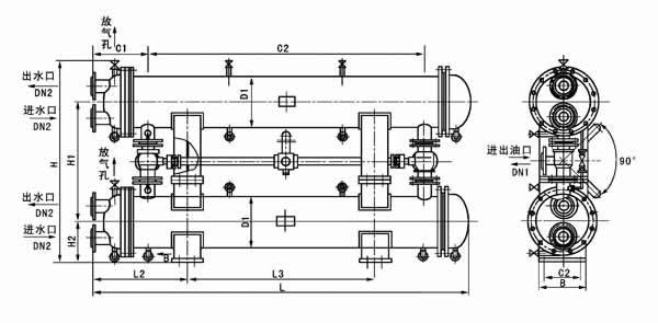
三、外形結構及尺寸
1、臥式

| 型號 | 冷卻面積m2 | DN1 | DN2 | D1 | L | L3 | C | H2 | L2 | C1 | C2 | B | H | H1 |
| SGLL4-12/1.6 | 12 | 65 | 65 | 325 | 1555 | 660 | 860 | 262 | 497 | 345 | 300 | 370 | 984 | 460 |
| SGLL4-16/1.6 | 16 | 65 | 65 | 325 | 1960 | 1065 | 1365 | 262 | 497 | 345 | 300 | 370 | 98 | 460 |
| SGLL4-20/1.6 | 20 | 80 | 65 | 325 | 2370 | 1475 | 1775 | 262 | 497 | 345 | 300 | 370 | 1004 | 480 |
| SGLL4-24/1.6 | 24 | 80 | 65 | 325 | 2780 | 1885 | 2175 | 262 | 497 | 350 | 300 | 370 | 1004 | 480 |
| SGLL4-28/1.6 | 28 | 80 | 65 | 325 | 3190 | 2295 | 2585 | 262 | 497 | 350 | 300 | 370 | 1004 | 480 |
| SGLL4-35/1.6 | 35 | 100 | 100 | 426 | 2480 | 1232 | 1692 | 313 | 730 | 500 | 300 | 730 | 1181 | 555 |
| SGLL5-40/1.6 | 40 | 100 | 100 | 426 | 2750 | 1502 | 1962 | 313 | 730 | 500 | 300 | 730 | 1181 | 555 |
| SGLL5-45/1.6 | 45 | 125 | 100 | 426 | 3020 | 1772 | 2202 | 313 | 725 | 515 | 300 | 725 | 1181 | 585 |
| SGLL5-50/1.6 | 50 | 125 | 100 | 426 | 3290 | 2042 | 2472 | 313 | 725 | 515 | 300 | 725 | 1181 | 585 |
| SGLL5-60/1.6 | 60 | 125 | 100 | 426 | 3830 | 2582 | 3012 | 313 | 725 | 515 | 300 | 725 | 1181 | 585 |
| SGLL6-80/1.6 | 80 | 200 | 200 | 616 | 3160 | 1555 | 2015 | 434 | 935 | 700 | 750 | 935 | 1688 | 820 |
| SGLL6-100/1.6 | 100 | 200 | 200 | 616 | 3760 | 2155 | 2615 | 434 | 935 | 700 | 750 | 935 | 1688 | 820 |
| SGLL6-120/1.6 | 120 | 200 | 200 | 616 | 4360 | 2755 | 3215 | 434 | 935 | 700 | 750 | 935 | 1688 | 820 |
2.立式

| 型號 | 冷卻面積m2 | a | b | c | d | e | f | g | m | o | d3 | D | DN1 | DN2 |
| SGLL4-12/1.6L | 12 | 1555 | 960 | 870 | 320 | 520 | 475 | 340 | 120 | 80 | 8-Φ26 | 325 | 65 | 65 |
| SGLL4-16/1.6L | 16 | 1960 | 1365 | 870 | 320 | 520 | 475 | 340 | 120 | 80 | 8-Φ26 | 325 | 65 | 65 |
| SGLL4-20/1.6L | 20 | 2370 | 1775 | 870 | 320 | 565 | 475 | 340 | 120 | 80 | 8-Φ26 | 325 | 80 | 65 |
| SGLL4-24/1.6L | 24 | 2780 | 2175 | 870 | 340 | 565 | 475 | 360 | 120 | 80 | 8-Φ26 | 325 | 80 | 65 |
| SGLL4-28/1.6L | 28 | 3190 | 2585 | 870 | 340 | 565 | 475 | 360 | 120 | 80 | 8-Φ26 | 325 | 80 | 65 |
| SGLL5-35/1.6L | 35 | 2610 | 1692 | 976 | 470 | 666 | 585 | 400 | 120 | 80 | 8-Φ26 | 426 | 100 | 100 |
| SGLL5-40/1.6L | 40 | 2880 | 1962 | 976 | 470 | 726 | 585 | 400 | 120 | 80 | 8-Φ26 | 426 | 100 | 100 |
| SGLL5-45/1.6L | 45 | 3120 | 2202 | 973 | 470 | 726 | 585 | 420 | 120 | 80 | 8-Φ26 | 426 | 125 | 100 |
| SGLL5-50/1.6L | 50 | 3390 | 2472 | 1100 | 470 | 726 | 585 | 420 | 140 | 100 | 8-Φ26 | 426 | 125 | 100 |
| SGLL5-60/1.6L | 60 | 3930 | 3012 | 1240 | 470 | 990 | 585 | 420 | 140 | 100 | 8-Φ26 | 426 | 125 | 100 |
| SGLL6-80/1.6L | 80 | 3255 | 2015 | 1240 | 705 | 990 | 830 | 460 | 140 | 100 | 8-Φ30 | 616 | 200 | 200 |
| SGLL6-100/1.6L | 100 | 3855 | 2615 | 1346 | 705 | 1066 | 830 | 460 | 140 | 100 | 8-Φ30 | 616 | 200 | 200 |
| SGLL6-120/1.6L | 120 | 4455 | 3215 | 1346 | 705 | 1066 | 830 | 460 | 140 | 100 | 8-Φ30 | 616 | 200 | 200 |
四、型號標注說明

啟東德樂潤滑設備有限公司
全國服務熱線:0513-83783788
電話:0513-83783788
傳真:0513-83358639
QQ:378068108
郵箱:rhsblm@163.com
地址:啟東市惠萍工業園河灣路88號
| * 聯系人: | 請填寫您的真實姓名 |
| * 手機號碼: | 請填寫您的聯系電話 |
| 電子郵件: | |
| * 采購意向描述: | |
| 請填寫采購的產品數量和產品描述,方便我們進行統一備貨。 | |
| 驗證碼: |
|
| 我要評論: | |
| 內 容: |
(內容最多500個漢字,1000個字符) |
| 驗證碼: | 看不清?! |
電話:0513-83783788
官方QQ:3073722347
郵箱:rhsblm@163.com
地址:啟東市惠萍工業園河灣路88號
共有-條評論【我要評論】